Проектування технологічного процесу виготовлення штуцера 20.15.003 В

No Thumbnail Available

Date

2020

Journal Title

Journal ISSN

Volume Title

Publisher

Сумський державний університет
Bachelor’s paper

Date of Defense

Scientific Director

Speciality

Date of Presentation

June 2020

Abstract

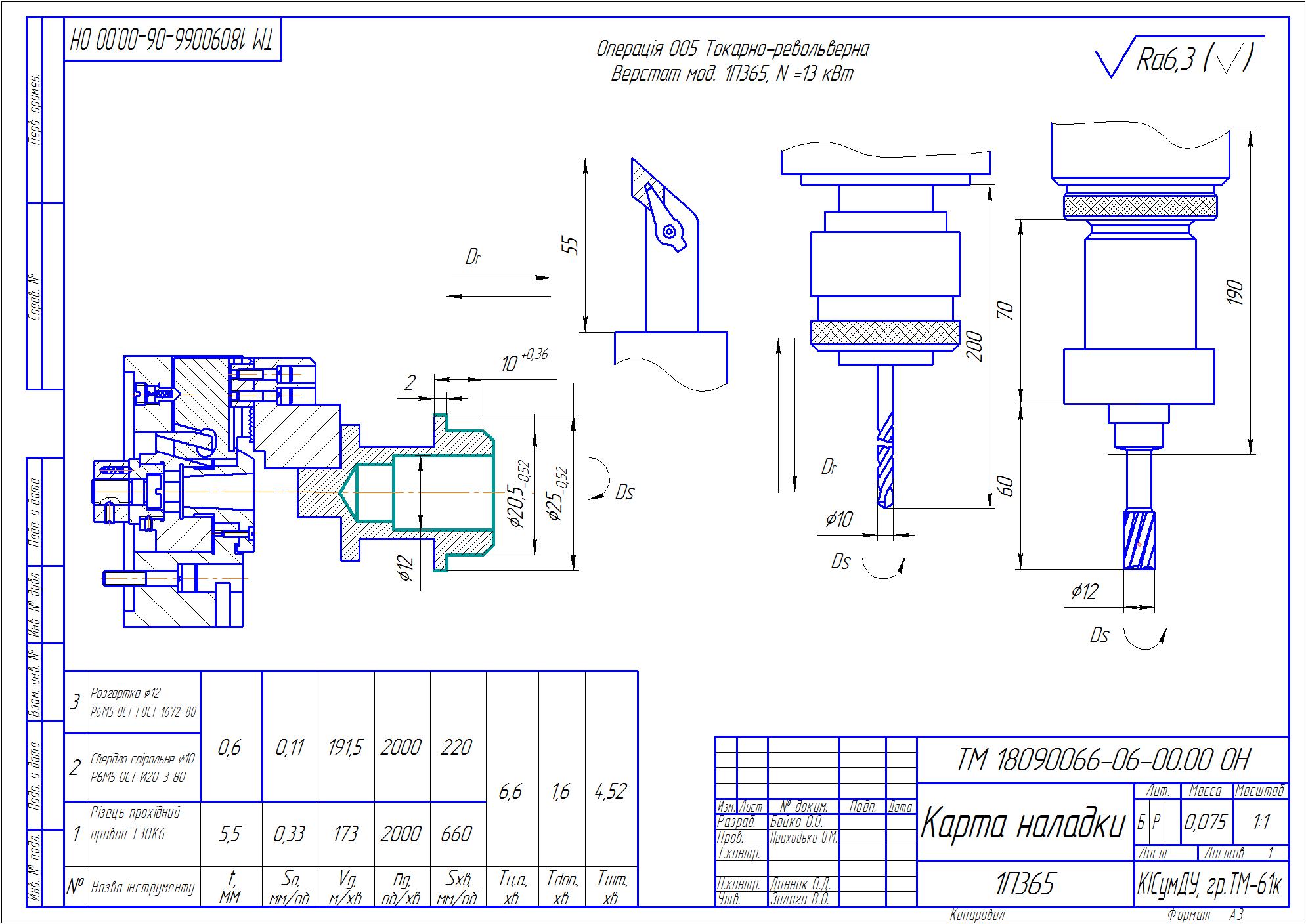
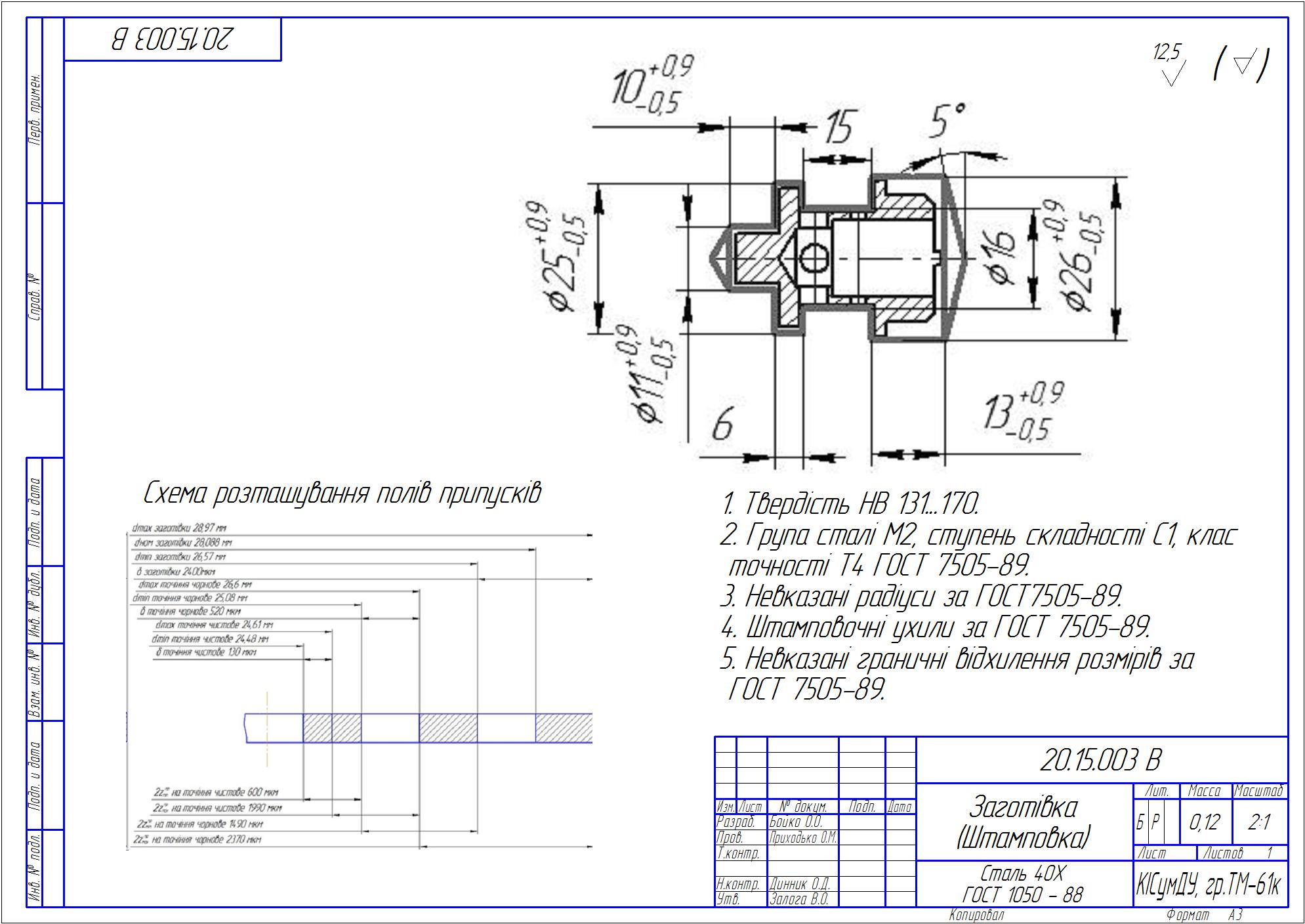
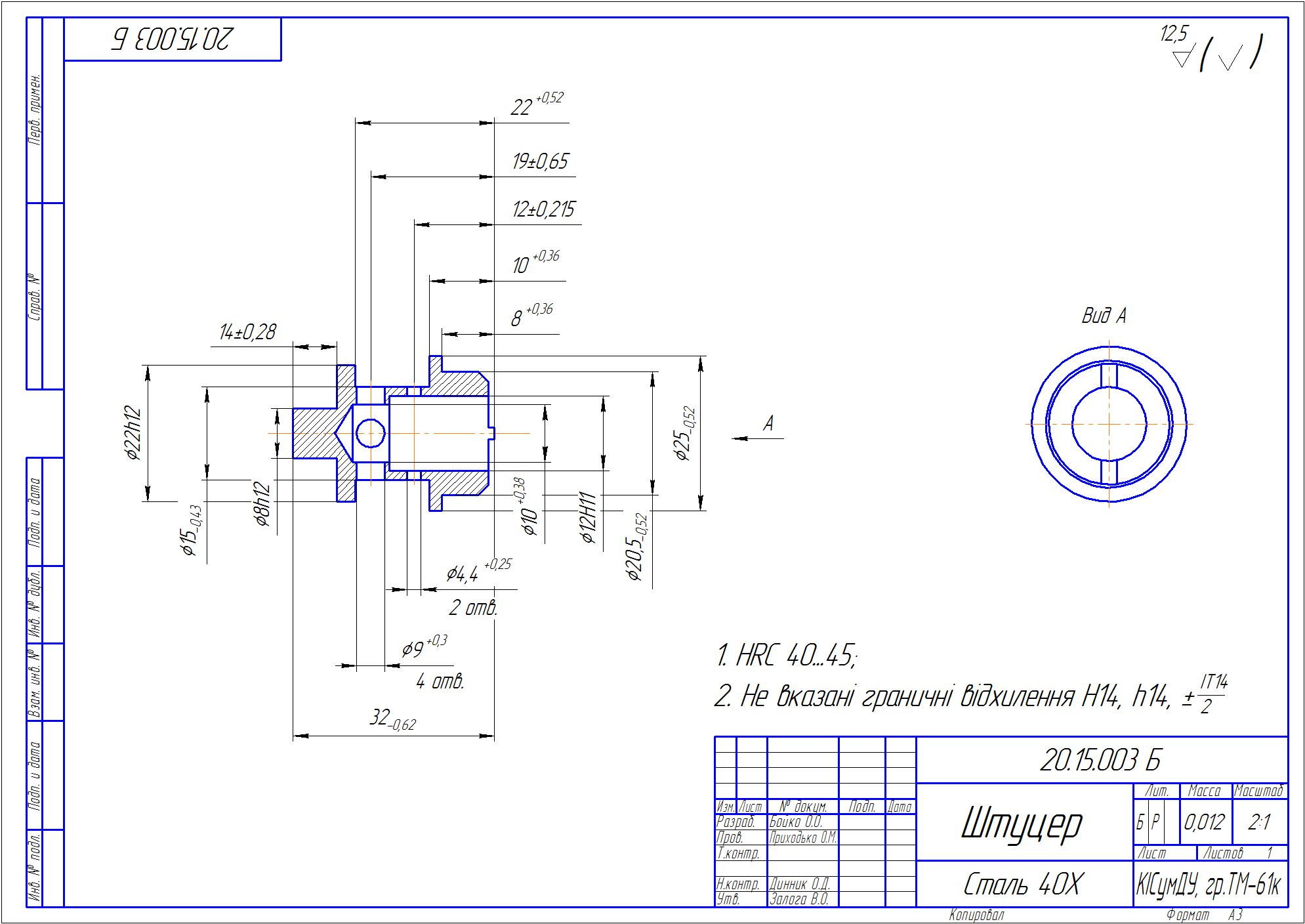
В даній роботі проаналізовані: службове призначення виробу, вузла та деталі, технологічні вимоги, що пред’являються до деталі, обґрунтований тип виробництва та спосіб отримання заготовки. В роботі під час аналізу існуючого технологічного процесу механічної обробки штуцера виготовлення проаналізовані дві операції, а саме: токарно-револьверну та вертикально-свердлувальну. При цьому обґрунтуванні: вибір схеми базування і закріплення заготовки, обладнання та технологічного оснащення, розраховані режим різання і виконано нормування часу. В графічній частині роботи представлено креслення деталі, заготовки, отриманої методом штампування та маршрутний технологічний процес виготовлення штуцера 20.15.003 В

Keywords

штуцер, штуцер, fitting, пускач гідравлічний моторний, пускатель гидравлический моторный, hydraulic motor starter, штовхач, толкатель, pusher

Citation

Бойко, О.О. Проектування технологічного процесу виготовлення штуцера 20.15.003 В [Текст]: робота на здобуття кваліфікаційного ступеня бакалавра; спец.: 131 - прикладна механіка (Технології машинобудування) / О.О. Бойко; наук. керівник О.М. Приходько. – Суми: СумДУ, 2020 – 72 с.

Endorsement

Review

Supplemented By

Referenced By