Проектування технологічного процесу виготовлення штуцера 20.15.003 В

No Thumbnail Available

Date

2020

Journal Title

Journal ISSN

Volume Title

Publisher

Сумський державний університет
Bachelor’s paper

Date of Defense

Scientific Director

Speciality

Date of Presentation

June 2020

Abstract

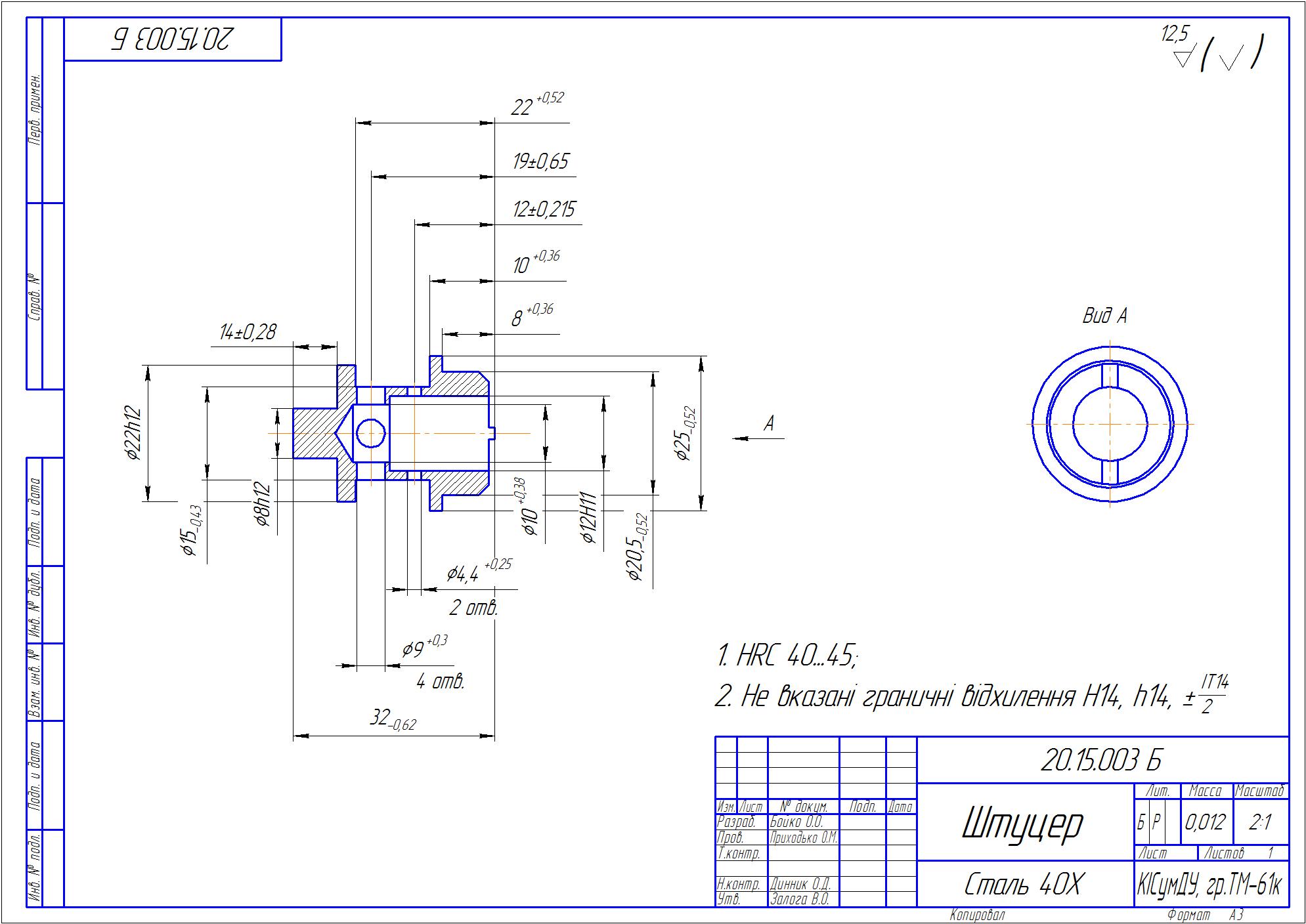
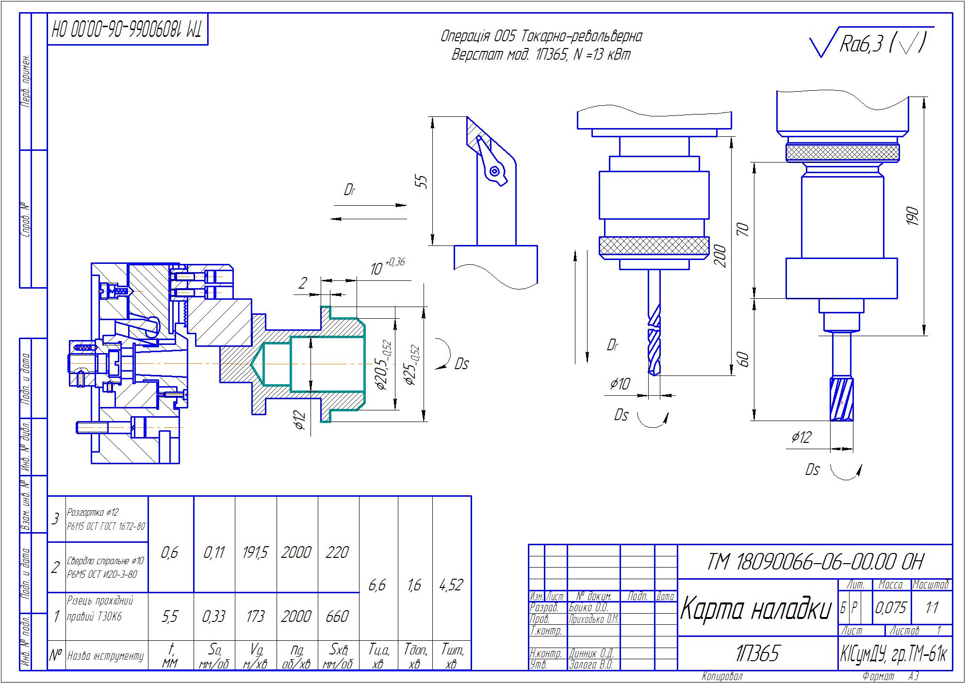
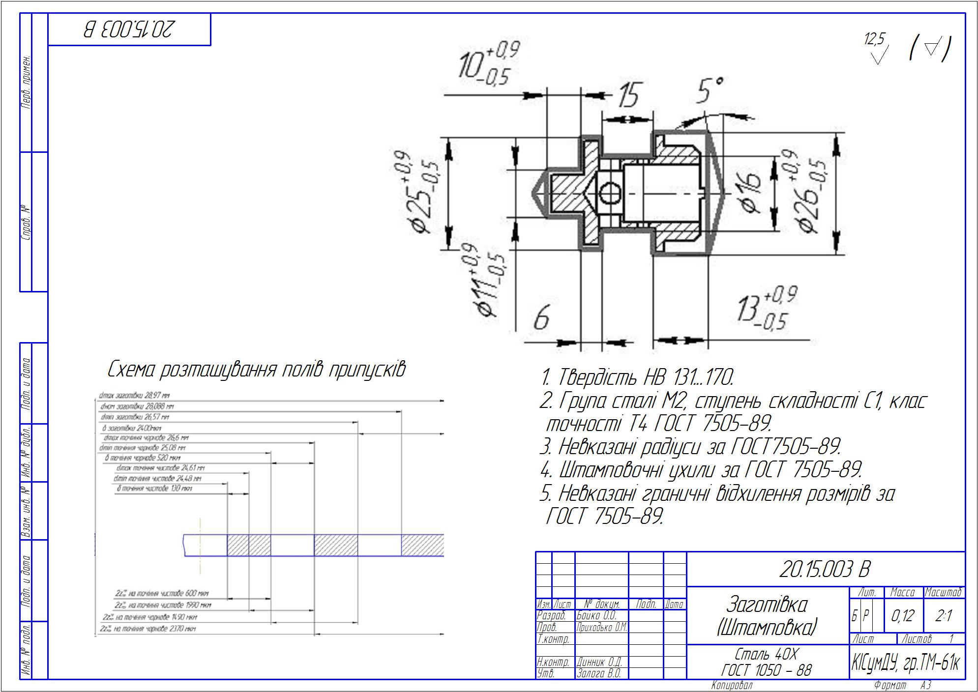
Кваліфікаційна робота бакалавра викладена на 72 сторінках, в тому числі 11 рисунків, 11 таблиць, бібліографії з 12 джерела на трьох сторінках. В даній роботі проаналізовані: службове призначення виробу, вузла та деталі, технологічні вимоги, що пред’являються до деталі, обґрунтований тип виробництва та спосіб отримання заготовки. В роботі під час аналізу існуючого технологічного процесу механічної обробки штуцера виготовлення проаналізовані дві операції, а саме: токарно-револьверну та вертикально-свердлувальну. При цьому обґрунтуванні: вибір схеми базування і закріплення заготовки, обладнання та технологічного оснащення, розраховані режим різання і виконано нормування часу. В графічній частині роботи представлено креслення деталі, заготовки, отриманої методом штампування та маршрутний технологічний процес виготовлення штуцера 20.15.003 В

Keywords

штуцер, fitting, пускач гідравлічний моторний, пускатель гидравлический моторный, hydraulic motor starter, штовхач, толкатель, pusher

Citation

Бойко, О.О. Проектування технологічного процесу виготовлення штуцера 20.15.003 В [Текст]: робота на здобуття кваліфікаційного ступеня бакалавра; спец.: 131 - прикладна механіка / О.О. Бойко; наук. керівник О.М. Приходько. – Суми: СумДУ, 2020. – 72 с.

Endorsement

Review

Supplemented By

Referenced By